Поклейка стен из ДВП обоями
Покрытие обоями ДВП состоит из нескольких операций:
- Рулоны нарезают полосами нужной длины.
- Отрезки складывают в одну кипу. Для выравнивания на полосы укладывают груз. Для этого можно использовать перевернутый стол и другие предметы мебели.
- Согласно инструкции разводят сухую смесь тёплой водой (20 – 25 0 С). Воду добавляют постепенно, при этом раствор постоянно перемешивают. Перемешивание удаляет пузырьки воздуха и не даёт образовываться сгусткам.
Разровняйте полотно во всех направлениях
В помещении все окна должны быть плотно закрыты. Любой слабый воздушный поток в пространстве комнаты приведёт к тому, что приклеенные обои могут в один момент упасть на пол. Широкой кистью клей наносят на тыльную сторону очередного отрезка обоев. Обои на стене разглаживают куском ветоши или резиновым валиком. Разравнивают полосу сверху вниз и в поперечном направлении — из стороны в сторону. При образовании пузырей на поверхности покрытия их прокалывают иглой и разглаживают вздувшееся место. На внутренних углах стен один отрезок покрытия заводят внахлёст на другую полосу на 10 – 15 мм. Это позволит скрыть незначительные отклонения углов от вертикали. Также поступают и с наружными углами комнаты.
↑ Подошва в ленточном фундаменте

Когда обустраивают неширокую подошву, она имеет конструктивные поперечные стержни, которые не принимают участия в нагрузке. Поэтому достаточно использовать арматуру диаметром 6-8 мм. Связывают её с помощью вязальной проволоки с прутьями, которые находятся по краям.
В широкой подошве поперечная арматура берёт на себя определённую часть нагрузки и её относят к рабочей. В процессе эксплуатации грунт пытается «схлопнуть» поперечные стержни. Поэтому для широкой подошвы используется ребристая арматура. И она должна быть такого же диаметра и класса, что и продольная.
Перед тем, как приступить к возведению ленточного фундамента необходимо:
- Выкопать траншею, которая отвечает всем требованиям чертежа с учётом размеров и расположения фундамента постройки.
- Далее собрать опалубку внутри вырытой траншеи. Для её создания используют различные материалы (например, необрезная доска, специальная фанера и т.п.).
- В последнем подготовительном шаге организуют песчаную подушку на дне траншеи. Она используется как подложка для равномерного распределения бетона.
Материалы и инструменты, используемые для армирования
Поскольку арматурный каркас увеличивает устойчивость конструкции, принимая на себя значительную часть нагрузки, его качество приобретает основополагающее значение. Каркас формируется из соединенных между собой арматурных прутьев. Для вязки каркаса используются различные:
Типы арматуры
Производители предлагают арматуру, которую можно разделить по:
Материалу изготовления. Стальная арматура — классический, проверенный временем вариант; подразделяется на 6 классов по прочности, ее можно гнуть и сваривать. Композитная арматура содержит углеродные, базальтовые, стеклянные или арамидные волокна. Она более легкая, дешевая, не подвержена коррозии, не сгибается и не подлежит сварке.
Арматура с периодическим профилем отличается улучшенными характеристиками
Профилю. Арматура с гладким профилем чаще используется в качестве соединительных перемычек. Арматура с периодическим профилем имеет рельефную поверхность, которая улучшает сцепление с бетоном.
Материалы для соединения
Вязка арматуры под ленточный фундамент, схема которой может меняться, производится с использованием:
- Вязальной проволоки.
Надежная и распространенная технология соединения при помощи узла. Существуют разные схемы вязки.
- Резьбовых и обжимных муфт
(в местах механических стыков).
- Металлических скрепок.
Элементы арматуры соединяются без вязки узла.
- Пластиковых хомутов и клипс
(фиксаторов). Пластмассовые изделия обеспечивают простой и быстрый монтаж, устойчивы к коррозии. Их использование одобрено не всеми профессионалами.
Прутья композитной арматуры, скрепленные хомутом
Сварки. Процесс отличается быстротой, но сварные швы образовывают жесткое соединение, по плотности отличаются от основного металла и подвержены коррозии. При изменении нагрузки они лопаются и уменьшают прочность фундамента. Способ подходит для соединения стержней больших диаметров (на промышленных объектах); для получения качественного шва нужен сварщик высокой квалификации.
Типы инструмента для вязки арматуры
Вязка арматуры для ленточного фундамента считается практичнее сварки: прочность в узлах не снижается, не нужен квалифицированный сварщик, работа проходит прямо в опалубке (или рядом). Пространственный каркас из арматуры можно собирать как вручную (что нелегко делать руками в перчатках), так и с помощью инструмента. Для вязки используют:
Вязальный пистолет. Самый быстрый способ. Пистолетом неудобно пользоваться в труднодоступных местах; к тому же он расходует много проволоки. Его главный недостаток — цена. Модели ведущих производителей стоят порядка 30000 руб., китайского пистолета хватит на 1 фундамент.
Профессиональный инструмент — пистолет для вязки арматуры
- Крючок для вязки.
Похож на изогнутый и обточенный гвоздь с рукоятью вместо шляпки. Его нередко используют как насадку, зажимая в патроне шуруповерта. Промышленность выпускает винтовые крючки — эффективные в работе, но замедляющие процесс вязки (оставляют длинные хвосты).
- Народные средства.
Если объем работ небольшой и инструментом не запаслись, используют плоскогубцы или изготавливают крючок из подходящего гвоздя. Качественный результат невозможно получить, используя самоделку; такой подход неизменно скажется на прочности конструкции.
Об армировании мелкозаглубленного ленточного фундамента на видео:
Пример расчета армирования фундамента
Попробуем рассчитать, сколько потребуется материалов для обустройства армирования конкретного ленточного фундамента с чертежами. Допустим, мы строим из строительных блоков (шириной 0,4 м) небольшой загородный дом с габаритными (внешними) размерами 5×8 м. Характер почвы на нашем участке позволяет сделать высоту полосы 0,9 м, ее ширину 0,4 м, что соответствует ширине строительного материала стен. В арматурном каркасе для ленточного фундамента будем использовать продольные рабочие прутья диаметром 12 мм и □-образные поперечные хомуты, изготовленные из прутков диаметром 8 мм.
Армирование мелкозаглубленного ленточного фундамента:
На фото видно, что расстояние между рабочими продольными прутьями (0,4 м) и шаг □-образных поперечных хомутов (0,5 м) выбраны в соответствии с требованиями нормативных документов.
Проверяем относительное содержание продольных рабочих прутков в нашей железобетонной конструкции. Для этого воспользуемся следующими терминами и обозначениями:
- h – высота фундамента (900 мм);
- w – ширина фундамента (400 мм);
- Sₒ – площадь поперечного сечения фундамента;
- Sₐ – суммарная площадь поперечных сечений продольных прутьев (6 штук);
- r – радиус продольного прутка (6 мм), который равен d/2, где d – диаметр прутка (в нашем случае d=12 мм);
- D – относительное содержание рабочих прутков в «теле» фундамента.
Sₒ = h∙w = 900∙400 = 360000 мм²
Sₐ = 6∙π∙r² = 6∙3,14∙6² = 678,24 мм²
D = (Sₐ∙100)/ Sₒ = (678,24∙100)/360000 = 0,1884 ≈ 0,19 % (что в 1,9 раза превышает минимально допустимое значение, то есть схема армирования ленточного фундамента выбрана нами правильно).
Расчет количества продольных прутьев
Для того чтобы определить сколько стандартных продольных прутьев (6 м) нам необходимо, воспользуемся следующими величинами:
- L – длина фундамента (8000 мм);
- W – ширина фундамента (5000 мм);
- P – периметр;
- N – количество продольных элементов (в нашем случае 6 штук);
- X – общая протяженность продольных прутьев.
P = (L+ W)∙2 = (8000 + 5000)∙2 = 26000 мм = 26 м
X = P∙N = 26∙6 = 156 м
К полученной величине необходимо добавить 20 % (материал для изготовления Г-образных или П-образных элементов для правильного армирования углов и обеспечения достаточного нахлеста при стыковке элементов).
Xдоп = X∙0,2 = 156∙0,2 = 31,2 м
Окончательная общая длина продольного арматурного прутка:
Xок = X + Xдоп = 156 + 31,2 = 187,2 м
Стандартная длина арматурного прутка составляет 6 м. Осталось посчитать, сколько таких прутков необходимо: Xок/6 = 187,2/6 = 31,2 ≈ 32 штуки.
Изготовление поперечных элементов и расчет количества материала
Укладка арматуры в ленточный фундамент невозможна без установки поперечных (вертикальных) элементов. Обычно, для этих целей используют □-образные хомуты. Варианты хомутов:
Как видно из представленного фото все три варианта отличаются технологией изготовления, но расход прутка во всех случаях приблизительно одинаковый. Длина прутка (Ø=8 мм), необходимого для изготовления одного хомута: (800+300)∙2+250 = 2450 мм.
Вариант № 1
- Отмеряем приблизительно 120 мм и с помощью приспособления для гибки выгибаем эту часть будущего хомута в виде крючка.
- На расстоянии 800 мм от крюка загибаем пруток под углом 90˚.
- Отмеряем 300 мм и делаем еще один загиб на 90˚.
- От этого угла откладываем 800 мм и гнем прут на 90˚.
- От полученного угла отмеряем 300 мм и загибаем второй крючок.
Вариант № 2
- Отмеряем от конца заготовки 250 мм и с помощью приспособления выгибаем эту часть на 90˚.
- Откладываем от полученного 800 мм и загибаем пруток под углом 90˚.
- Отмеряем 300 мм и делаем еще один загиб на 90˚.
- От этого угла откладываем 800 мм и гнем прут на 90˚.
Внимание! Место нахлеста прутков скрепляем точечной сваркой или 2÷3 скрутками из проволоки. Вариант № 3
Вариант № 3
- Отрезаем от прутка две заготовки длиной по 860 мм каждая и две по 360 мм.
- Складываем из них прямоугольник (выступ с каждой стороны составляет 30 мм).
- Скрепляем углы хомута сваркой или проволочной скруткой.
Теперь рассчитаем, сколько хомутов необходимо для армирования нашего фундамента:
Q = P/T (P – периметр ленты фундамента, T – шаг расположения поперечных хомутов)
Q = 26/0,5 = 52 штуки
Плюс нам потребуются дополнительные хомуты для усиления каркаса в углах (по 2 штуки с каждой стороны всех четырех углов, то есть дополнительно 16 хомутов). На ленточный фундамент необходимо изготовить 68 □-образных поперечных хомутов.
Длина заготовки для одного элемента составляет 2450 мм, то есть из одного стандартного прутка мы сможем изготовить только 2 хомута. Требуемое число прутков (Ø=8 мм) – 34 штуки.
Необходимая проволока
При выборе проволоки необходимо учитывать следующие факторы:
- Класс точности изготовления. Класс точности определяется способом производства. Существует проволока более высокого класса точности, ее отклонение фактического размера, диаметра, от заявленного производителем по всей длине проволоки меньше, чем у проволоки более низкого класса точности. Однако для вязания арматуры класс точности особого значения не имеет.
- Способ проката проволоки. Существует два типа проката: холоднокатаный и горячекатаный. Холоднокатаный прокат выкатывается прессами из заготовок без нагрева. При горячекатаном способе прокатная сталь выкатавывается в разогретом состоянии, что придает большую прочность.
- К какой группе по прочности на разрыв принадлежит проволока (существует первая и вторая группа);
- Степень коррозионной стойкости. По этому признаку существует только одно отличие – присутствует ли оцинкованное покрытие на проволоке или нет.
Критерий выбора проволоки весьма прост, нужна проволока, которая так и называется — «вязальная». Она имеет полный набор необходимых характеристик: достаточную мягкость при заявленной прочности, устойчивость к истиранию и надежность при закреплении.
Оцинкованную проволоку считают излишеством.Оптимальный диаметр вязальной проволоки 1,2-1,4 мм. На проволоку диаметром 1,6-2 мм уходит много сил, в результате чего стройка замедляется, а единичка слишком слаба, она просто будет лопаться.
Внимательно нужно следить за тем, чтобы соединение арматуры после завязывания узла оставалось жестким: во время заливки каркас должен оставаться неподвижен. Это обеспечит надежность конструкции после застывания.
Длина проволоки, рекомендуемая для одной точки вязки, составляет от 30 до 50 см. Сама проволока стоит крайне дешево – порядка 50 р. за 100 метров. Чтобы избежать ее недостатка в неподходящий момент по причине утери или излишнего расхода, рекомендуется покупать ее с двойным запасом. 100 рублей за 200 метров, это совсем недорого.
↑ Параметры для армированного каркаса
Вертикальные элементы поддерживают и соединяют нижний и верхний слой. Размещают их с шагом 50-90 см. На них идёт маленькая нагрузка, поэтому используют сечение стержней всего 6-11 мм.
Каркас из арматурных стержней полностью должен быть залит бетонным раствором. От опалубки каркас отделяется расстоянием в 6-8 см. При возведении основания для частной постройки чаще всего арматурные стержни скрепляются вязальным крючком.
↑ Расход материала для арматурной вязки
Для определения количества необходимого материала берут за основу данные фундамента, а именно: длину, ширину и высоту. Детально изучают схему армирования. Обращают внимание на количество слоев, указанных в схеме и на число продольных стержней по ширине. Реализация материала для армирования осуществляется в килограммах, которые в специальных таблицах переводятся в погонные метры. А вот пластиковую арматуру чаще всего реализуют именно в погонных метрах.
Схема выполнения армирования для ленточного фундамента:
↑ Определение длины шага
Вертикальные и горизонтальные элементы арматуры устанавливаются с определенной длиной шага. В армировании ленточного основания шагом называют расстояние между парой продольных прутьев. Существуют различные формулы и методы расчёта этой длины. Для маленьких зданий обычно расчёты не выполняют, а следуют рекомендациям, по которым стандартное расстояние не превышает 40 см. Этот параметр является ориентиром для ленточного основания.
Как определить расстояние между горизонтальной и вертикальной арматурой для крупных проектов? Чтобы обеспечить антикоррозийные свойства для стальных прутьев, они должны находиться в толще бетона и иметь минимальное расстояние от краёв опалубки в 5 сантиметров. Расстояние между стержнями по горизонтальной и вертикальной прокладке на 10 см меньше параметров ленты. К примеру, берём ширину основания 50 см и получаем расстояние между двумя стержнями в 40 см (50 см – 10 см = 40 см).
Снова возьмём за пример ленточное основание 80х30 см. При таких параметрах арматура располагается на расстоянии в 20 сантиметров. Расчёт прост: 30 см – 10 см = 20 сантиметров. Фундамент, который имеет высоту, равную 80 см, обустраивается с двумя поясами армирования с расстоянием между ними в 70 см (80 см – 10 см = 70 см). Данные о расстоянии между перемычками размещены в СНиПе. Следуя профессиональным рекомендациям, отталкиваются от шага, который не превышает 30 см. Это относится как к горизонтальным, так и к вертикальным перемычкам.
Каким должно быть армирование
При закладке фундамента учитывают запас прочности. Обязательное требование – максимальная устойчивость в отношении климатических, механических факторов.
Каркас фундамента
Требования к арматуре:
- разрешается заменять несущие стержни. Возможно, если нагрузка при расчете не превышает СНИП;
- при верном устройстве каркаса основания, не будет препятствовать заливке;
- при установке арматуры нужно учитывать расчетный шаг;
Антикоррозийное покрытие
- конструкция должна иметь антикоррозийное покрытие;
- не допускаются подвижные «плавающие» соединения стержней на пересечениях каркаса. Относится к любым способам соединения.
Как рассчитать стоимость материалов?
На сегодняшний день на строительном рынке в продаже имеется арматура различных классов и диаметров стержней. Большинство производителей предлагают продукцию на вес.
Зная требуемое количество металлических прутьев в метрах, можно пересчитать объем в килограммы. Для вычисления существуют нормативные сортаменты, где указан вес (на длину) арматуры по диаметрам.
Востребованность ленточного фундамента объясняется его надежностью и универсальностью. Простота монтажа, длительный срок службы и возможность устройства на любых видах грунта, делают его все более популярным.
Заслуженно, здесь играет свою роль арматурный каркас. Благодаря армированию, бетонное основание имеет большую прочность и устойчивость.
Используемые виды арматуры
До начала разбора темы, как правильно вязать арматуру для фундамента, надо разобраться с самой арматурой. Ведь сегодня рынок предлагает две ее разновидности:
- Это обычная стальная.
- Композитная.
Использовать обычную стальную все привыкли давно. Но что собой представляет вторая модель, чем она отличается от первой, и лучше ли она.
Стальная
Металлическая арматура – это шесть классов, которые друг от друга отличаются процентным содержанием легирующих добавок. И чем последних больше, тем выше класс, тем выше характеристики.
Сами по себе арматурные стержни – это прутки с гладкой или рифленой поверхностью. Первый класс – гладкий, остальные рифленые.
Рельефная структура – это увеличение площади сцепления арматуры с бетонным раствором. К тому же выступы выполняют функции сдерживающих бортов, когда арматурная конструкция начинает работать на растяжение.
Стержни с более высокими характеристиками и размерами слишком дороги, при этом выполняют те же функции при не самых больших нагрузках. А низшего класса арматура для фундаментов слабовата. Но надо добавить, что в армирующих каркасах даже гладкая арматура используется. Она не является основной, но для перемычек, раскосов, связок и прочих не нагружаемых узлов ее применяют.
При выборе необходимо обращать внимание на маркировку изделия, особенно на индексы. Вот только два из них:
- «С» — это обозначение, что арматуру можно сваривать.
- «К» — в сталь были внесены антикоррозийные добавки. Этот тип является самым дорогим, так что в частном домостроении не используется.
Что касается сварной арматуры, то она также не самый дешевый вариант. Поэтому для частников оптимальный вариант – вязка стальной проволокой. Что касается вопроса, какой проволокой вяжется армирующий каркас, то о ней будет разговор ниже.
Композитная
Эта разновидность является материалом относительно новым. В ее основе лежит пластик, куда добавляются наполняющие его компоненты: стекло, углерод, базальт.
Самой популярной является стеклопластиковая разновидность, потому что она просто дешевле двух других практически при тех же прочностных характеристиках.
Если говорить о технических характеристиках этого материала, то:
- Прочность на растяжение у пластиковой арматуры 1000 МПа, у стальной 390.
- Она легче металлической в 3,5 раза.
- Сталь коррозирует, пластик нет.
- Он не проводит электрический ток.
- У него низкая теплопроводность.
Что касается отрицательных сторон, то:
- Металлическая арматура по упругости лучше.
- Пластик относится к категории слабо горючих материалов.
- При нагреве он размягчается.
- Связать арматуру стеклопластиковую можно только хомутами или проволокой, стальная может свариваться.
Сегодня еще не разработаны четкие рекомендации по технологии использования композитной арматуры, поэтому специалисты рекомендуют применять ее в фундаментах под легкие постройки. Под тяжелые лучше укладывать стальную.
Какую арматуру используют?
Первым этапом создания армирования является выбор арматуры. По материалу изготовления арматура, используемая для фундаментных каркасов делится на металлическую и композитную. Каждый из этих вариантов имеет свои плюсы и минусы.
Металлическая
Металлические прутки применяются в строительстве фундаментов давно.
Это классический проверенный вариант материала. При возведении частных домов применяется металлическая арматура, изготовленная по ГОСТу 5781-82.
Арматура, соответствующая данному стандарту делится на 6 классов. Чем выше класс, тем прочнее материал.
В малоэтажном строительстве применяется в основном материал 3 класса с диаметром 12-18 мм. Из него выполняют продольные элементы каркаса, которые несут основную нагрузку армирования.
Для хомутов, перемычек и дополнительных элементов используется гладкая арматура первого класса. Она дешевле более прочных аналогов, при этом хорошо гнется, облегчая работу мастера.
Композитная
Это современный материал, применяемый в строительстве бетонных конструкций только в последние годы.
Сырьевой основой изготовления композитных прутков может быть:
- базальтопластик;
- углепластик;
- стеклопластик.
Композитная арматура дороже металлической. Но ее популярность растет, так как она обладает более привлекательными характеристиками. Из трех основных вариантов композитного материала наиболее востребованной стала стеклопластиковая арматура. Ее цена ниже стоимости двух других вариантов, а показатели прочности достаточно высокие.
Композитный вид материала в отличие от металлической имеет низкую теплопроводность. Поэтому каркасы из нее не повышают уровень теплопотери здания через фундамент. Кроме того, композитные прутья не подвержены негативному воздействию перепадов температуры и повышенной влажности. Поэтому она более долговечна.
Главные отличия композитного (полимерного) материала от металлического:
- Композитные прутья можно только связывать, их нельзя соединять сваркой.
- Полимерные материалы при сильном нагревании теряют упругость, чего не происходит с металлом.
- Упругость стеклопластика в обычном состоянии в разы меньше, чем у металла.
- Стеклопластик является слабогорючим самозатухающим материалом, в то время как металл относится к материалам негорючим.
- По показателю теплопроводности выигрывает стеклопластик.
- Композитная арматура не проводит электричество.
- Стеклопластик не поддается коррозийным процессам.
- Полимерные прутья в 3,5 раза легче металлических.
- Прочность на растяжение у композитной арматуры на порядок выше.
Причины армирования
Армирование проводят в целях компенсации действующих на фундамент нагрузок.
Армирование – важнейший этап строительства
Для устройства фундамента применяется высокая марка бетона, чтобы избежать разрушения структурной целостности.
Стальная арматура
Стальной прут превращает обычный бетон в железобетон. Основа приобретает наивысшую устойчивость к нагрузкам, снегу.
Ленточная основа — монолитная железобетонная рама.
Грунтовые воды
Грунт, на котором возводится фундамент, достаточно неоднороден. Влияют:
- скачущее атмосферное давление;
- трава;
- снег;
- воды (грунтовые);
- влага.
Когда почва движется, это действует на фундамент. На нижнюю часть влияет растяжение, на верхнюю – сжатие.
Сталь – достаточно гибкий материал, склонный к удлинению. Соединяясь воедино, сталь с бетоном справляются с существующими нагрузками.
Иногда, армируется только нижняя часть фундамента, залитая бетонной смесью в вырытую для заливки траншею. Обуславливается нагрузкой сооружения, не позволяющей прогибаться балке.
По мнению строителей, подход неверен, не учитывается подъемная сила намокающего, расширяющегося грунта, сила морозного пучения, когда вода в грунте замерзает.
Возникшая нагрузка намного больше, чем нагрузка, предоставляемая постройкой. Возникает растяжение в верхних частях основания. Ведет к разрушению структуры фундамента.
Какой бетон выбрать?
Прежде чем определиться с маркой бетона, необходимо знать назначение будущей постройки, а также какую нагрузку будет нести фундамент, т.е. основная опора. Большое значение придается свойствам имеющихся грунтов на участке.
Для строений из кирпича, высотой от 2 этажей и выше потребуется бетон В25 (М350), а для деревянных стен марки: В12,5 (М150) или В15 (М200).
Состав бетонной смеси стандартный: цемент, песок, щебень и вода. Для увеличения прочностных характеристик будущего сооружения рекомендуется применять специальные добавки. Четкое соблюдение пропорций компонентов и тщательное соединение обеспечивает получение качественной и однородной смеси.
Как работать крючком
Никто не выполняет работу вручную. Это практически невозможно. Для этой цели есть специальные инструменты, ускоряющие и упрощающие процесс. Каждый инструмент имеет свои особенности по использованию. Для связки арматуры существуют следующие приспособления:
- Ручной крючок.
- Вязальный пистолет.
- Шуруповёрт.
- Клещи.
Каждый из инструментов имеет свои плюсы и минусы, рассмотрим их, а также технологию их использования, и на основе этих данных и мнении эксперта (арматурщика с 10-летним стажем) подведём итоги и выберем лучший вариант для вязки арматуры.
В продаже есть даже автоматические крючки, но отзывы о них двоякие. Некоторые отмечают малый ресурс, другие говорят, что он скручивать проволоку толщиной 2 мм и более с трудом.
Существует несколько вариантов соединительных узлов при вязке арматуры крючком. Рассмотрим самые популярные.
Эти же требования распространяются при усилении углов и примыканий Г-образными и П-образными дополнительными армирующими элементами.
Вязку металлического каркаса из арматуры для ленточного фундамента можно производить не только в обустраиваемой опалубке, но и отдельными фрагментами (изготовленными в удобном для вас месте), которые затем опускают в короб.
Важно! Необходимо связать арматуру отдельных фрагментов между собой. Схематическое отображение способов технологии вязки арматуры
Схематическое отображение способов технологии вязки арматуры
Для формирования металлического каркаса основания применяется три метода обвязки:
- Сварка. На первый взгляд, сварка – это самый простой и эффективный способ соединить арматуру, но на практике все выглядит иначе. Во время сварочных работ металл нагревается до высоких температур и деформируется, а это частичная потеря жесткости. Также приходится нанимать профессионального сварщика, который знает о свойствах металла, сможет не пережечь его, а это дополнительные финансовые расходы. Также существует риск разрушения места сварки во время работы промышленного вибратора. Возникают сложности, если гнуть металл неподалеку от места сварки.
- Соединение с помощью гнутой проволоки или пластиковых хомутов (стяжек). Этот метод популярен среди многих застройщиков, так как соединение можно сделать своими руками в считанные минуты. Если применяется гибкая проволока, то для соединения звеньев нужно использовать специальный инструмент. Пластиковые хомуты надежнее проволоки, но стоят дороже. Схема соединения аналогичная, только тогда приходится гнуть прутья под необходимым углом.
- Внахлест. Этот метод подразумевает соединение арматуры внахлест с дальнейшей фиксацией проволокой. Практикуется больше для горизонтальных поясов, сделанных из сетки, а внутри соединения используется вертикальный гладкий прут.
Любой из вышеперечисленных методов можно реализовать своими руками. При этом приходится гнуть металл, что сделать достаточно проблематично, учитывая жесткость арматуры и ее минимальный диаметр для горизонтальных поясов от 12 мм.
Эскиз технологии правильного создания соединения арматурных прутьев и обвязка крючком
Вязать арматуру вполне реально, используя подручные средства. Но стоит отметить, что правильное связывание прутьев между собой не гарантирует соблюдение всех строительных норм и качественного монтажа. Так как схема вязки каркаса зависит от типа фундамента, его размеров, толщины и типа используемого материала. Поэтому нужно учесть несколько ключевых правил:
- Если в качестве арматурного каркаса будет использоваться сетка, тогда обвязку нужно делать внахлест.
- Учитывая тип и сечение арматуры, необходимо рассчитать длину перепуска в местах соединения.
- Гнуть прутья нужно строго под определенным углом и равномерно.
- Учитывается марка бетона и условия работы в месте соединения. Минимальная длина перехлеста не менее 25 см.
Если армирование проводится на высоте от 3 метров, тогда без строительных лесов или подмостки не обойтись. Технология обвязки получается более сложная, ввиду существующих правил безопасности при высотных работах. Обвязка проводится в три этапа:
- Сначала подготовить арматуру, подвязать к ней стропы.
- Поднять на необходимую высоту, выровнять и уложить в пластиковые направляющие.
- Связать прутья по любой перечисленной технологии.
Стоимость обвязки относительно невысокая, так как мастера могут обработать несколько квадратных метров каркаса за час. А при применении специальных вязальных инструментов, еще быстрее. А качество вязки прутьев и соответствие всем строительным нормам они гарантируют, тем более что гнуть прутья будут специальными щипцами.
Видео инструкция
Схемы вязки арматурного каркаса
Правильная вязка арматурного каркаса представляет соединение стальных прутьев в виде клетки. Ряды соединяются с вертикальными прутьями под прямым углом. Схема вязки выглядит следующим образом:
- Фрагмент вязальной проволоки длиной 25-30 см сгибают посередине и заводят под стержни, располагая по диагонали к их пересечению;
- Петля, образованная местом сгиба, цепляется крючком, противоположный конец проволоки укладывается над крючком;
- Вращательными движениями крючка создается скрутка из нескольких оборотов;
- Крючок убирается, а концы проволоки загибаются внутрь арматурной сетки.
Если армировать углы методом простого перехлестывания стержней, вы нарушите технологию строительства. Углы армируют согнутыми элементами и усиливают их П-образными анкерами. В противном случае конструкция будет недостаточно жесткой, и фундамент будет подвержен преждевременному разрушению.
Схема
Постоянное движение грунтов оказывает серьезнейшее давление на ленточный фундамент. Чтобы он крепко противостоял таким нагрузкам, а также на этапе планировки ликвидировал источники образования трещин, специалисты рекомендуют позаботиться о правильно выбранной схеме армирования. Схема армирования фундамента – это конкретное расположение осевых и перпендикулярных прутков, которые собраны в единую конструкцию.
В СНиПе №52-01-2003 четко рассматривается каким образом выполняют укладку арматурных материалов в фундамент, с каким шагом в различных направлениях.
Стоит рассмотреть следующие правила из данного документа:
- шаг укладывания прутьев зависит от диаметра арматурного изделия, габаритов гранул щебенки, метода укладки бетонного раствора и его уплотнение;
- шаг рабочего упрочнения – это дистанция, которая равна двум высотам сечения упрочняющей ленты, но не больше 40 см;
- поперечное упрочнение – это расстояние между прутьями составляет половину ширины самого сечения (не больше 30 см).
Как укладывают арматуру?
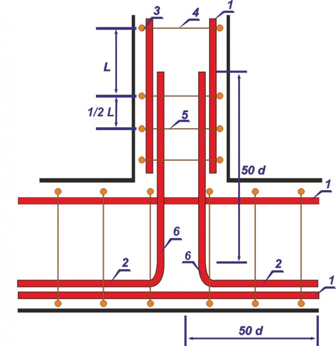
Максимального сцепления с бетоном позволяет добиться ребристая арматура. Ребристые пруты используют для продольных элементов конструкции, на которые приходится наибольшая нагрузка. При монтаже каркаса учитывают, что арматура не должна примыкать к дну траншеи, опалубке и верхней части бетонного основания. Величина отступа – не менее 50 мм. Таким образом, стальные прутья полностью скрываются в бетонной массе, и исключается риск коррозии. Однако углублять арматурный каркас слишком сильно не рекомендуется, так как наибольшая область растяжения ленточного фундамента расположена на его поверхности.
Обвязка арматуры ленточного фундамента – Фундамент своими руками
Фундамент – основная часть любого дома. От того, каким будет основание, во многом зависит его эксплуатационный срок, а значит, комфортное проживание его жильцов. Возвести прочный и надежный дом можно, только зная, как вязать арматуру при строительстве основания постройки.
Пошаговая инструкция
Начало правильного армирования ленточного фундамента
Для выполнения работ используется горячекатаная сталь периодического профиля классов А3 и высокопрочная проволока Вр. Выбор диаметров зависит от предполагаемой (проектной) нагрузки на основание. Монтажные работы ведутся непосредственно на строительной площадке.
После закупки и доставки материала на объект строительства, с ним необходимо сделать следующее:
- разложить по диаметрам;
- очистить от грязи;
- выровнять стержни (если требуется);
- нарезать заготовки заданного размера.
Укладка готового арматурного каркаса
Прежде чем приступать к монтажу блоков из арматуры, необходимо установить опалубку. Далее устанавливается два пояса: нижний (над землей) и верхний. Каждый слой заливается бетоном.
Сам процесс выполнения работ состоит из следующих стадий:
- вбить в грунт фиксаторы (куски стержней) в нижней части фундамента для образования защитного слоя бетона;
- последовательно, уложить все блоки каркасов;
- все стыки узлов соединить вязальной проволокой;
- провести выверку установленных элементов.
Вязка стального остова
Оптимальным вариантом считается ленточный фундамент, армированный по прямоугольнику или квадрату. Это объясняется возможность легко определить и установить оси. Вязка – процесс трудоемкий, но считается эффективным.
Работы производятся, вручную, с помощью специального крючка или плоскогубцами.
Для большей устойчивости, армирующий каркас соединяют клеточкой, при этом углы располагают под углом 90 градусов.
Режется кусок проволоки, длинной до 30-50 см, складывается по центру и прикладывается к месту соединения. Затем, в образовавшуюся петлю, продевается крючок, в нее вводятся концы прутьев, которые впоследствии выворачиваются до упора, образуя прочное скрепление.
Существует другой способ вязки – с помощью механических инструментов: шуруповерта (специальная насадка) и электрического крючка. В данном случае технологический процесс значительно ускоряется.
Сложнее выполнять работы по армированию на торцах фундамента. Здесь желательно использовать гнутые прутья, которые надежно соединяют примыкающие. Заготовки крепят в блок посредством жгутов (хомут), а в местах стыка монтируются усиления (П или Г- образной формы).
Полезные советы и рекомендации по тому, как вязать арматуру в ленточном фундаменте
Следует особое внимание уделить армированию углов здания, т.е. на этих участках основание несет нагрузку в несколько направлений. Чтобы избежать попадания влаги, стержни не должны соприкасаться близко с опалубкой и грунтом. Для изготовления изделий применяется металл высокого качества, без ржавчины и не бывший в использовании. Не рекомендуется «доращивать» уже готовый каркас
На любое дополнение должен быть расчет. Требуются практические навыки для вязки арматуры. В процессе работы можно чередовать разные способы соединения узлов каркаса. Вязать арматуру только при наличии нахлестов.
Армирование углов и мест примыкания ленточного фундамента
Как правило, последовательность сборки арматурного каркаса фундамента состоит из последовательной сборки прямых участков и связи их в углах фундамента и в местах примыкания внутренних перегородок. На эти участки стоит обращать особенное внимание, так как основные изгибающие и скалывающие напряжения возникают здесь.
Армирование углов ленточного фундамента и мест примыкания стен проводят при помощи жестких лапок, Г и П-образных хомутов.
При использовании жесткой лапки, напоминающей кочергу, длиной не менее 35d рабочего стержня, гнутая часть арматуры располагается таким образом, чтобы внешние стержни в обоих направлениях были соединены, а внутренние стержни привариваются к внешним прутьям. Этим способом можно избежать распространенной ошибки при армировании– отсутствия связи между внешними и внутренними стержнями. В местах изгиба с внутренней стороны ставится вертикальная арматура.
Принцип установки Г-образного хомута аналогичен, только вместо лапки используют гнутый стержень стороной не менее 50d рабочей арматуры. Здесь также внутренние стержни одного направления соединяются с внешними прутьями другой стороны. Хомуты П-образной формы позволяют соединять параллельные внешние и внутренние стержни в одном направлении соединить к перпендикулярно расположенному внешнему стержню в другом направлении. На углах фундаментов применяют два таких хомута, на местах примыкания стены только один.
Наглядно схемы примыкания углов и стыков арматуры показаны на схемах ниже:
Здесь возникает вопрос, как правильно гнуть арматуру для фундамента. Для этого используют специальное приспособление — арматурогиб, состоящее из трех стержней разного диаметра, жестко закрепленных на устойчивое, преимущественно стальное основание. Такое приспособление можно изготовить самостоятельно, либо приобрести в магазине.
Способы и методы вязки арматуры для фундамента
При создании ленточного основания для частного дома, арматура для фундамента играет очень важную роль, она исключает возможность его деформации при сезонных подвижках грунта и обеспечивает целостность.
Каждый металлический каркас в ленточном фундаменте состоит из двух или более горизонтальных ярусов, которые скрепляются между собой поперечными прутьями (поперечины). Все элементы каркаса соединяют друг с другом при помощи электрической сварки или проволоки для вязки арматуры.
Расчет арматуры
Перед тем как приобрести нужное количество арматуры для каркаса, необходимо провести некоторые математические расчеты, которые помогут определиться с количеством материала.
Так же важно учитывать некоторые особенности, такие как:
- Арматура рифленая (металлические прутья с рёбрами) выдерживает большую нагрузку на горизонтальные конструкции, чем гладкая и обеспечивает лучшее качество сцепления с бетоном;
- При расчетах нужно учитывать, что каркас не должен упираться в опалубку, а находится на расстоянии 5-10 см от неё. Это позволит защитить металл от воздействия воздуха и влаги. Например, если ширина бетонной ленты фундамента составляет 60 см, то ширина каркаса будет 45-50 см;
- Гладкие прутья можно использовать в качестве поперечин для поддержания продольных ярусов.
Если планируется постройка одноэтажного дома, то расстояние между поперечными и продольными прутьями составляет примерно 50-55 см. Но если здание будет иметь два этажа или массивную мансарду, то это расстояние сокращается до 20-30 см, что существенно увеличивает расход материала.
Варианты связки прутьев арматуры
Для того чтобы связать все элементы металлоконструкции между собой, применяют монтажную проволоку диаметром 0,8 или 1,2 мм, которую предварительно нарезают на небольшие кусочки по 20-25 см. Монтаж арматуры для фундамента может производиться несколькими способами, в зависимости от применяемого инструмента:
- вязальным крючком для арматуры, этот способ вязки описан ниже;
- специальными хомутами. В этом варианте применяют специальные пластиковые или металлические хомуты одноразового пользования. Так обычно выполняется вязка стеклопластиковой арматуры для фундамента.
Перед тем как вязать арматуру для фундамента, необходимо обеспечить себя защитными перчатками и использовать только исправный инструмент.
Пошаговый процесс ручной скрутки
Самым быстрым и распространённым методом в частном строительстве является вязка арматуры под ленточный фундамент при помощи специального вязального крючка для арматуры.
Для того чтоб всё сделать правильно и быстро, необходимо строго соблюдать приведённый ниже порядок действий:
- проволока для вязки арматуры отрезается длиной в 20-25 см и складывается вдвое;
- заводим проволоку под место соединения прутьев и вставляем крючок для вязки арматуры в петлю;
- вторым концом проволоки обвязываем соединение арматуры и накладываем его на крюк;
- затем вращаем вязальный крючок для арматуры по часовой стрелке, придерживая второй конец проволоки таким образом, чтобы концы сплелись между собой;
- вынимаем крюк из петли и загибаем концы проволоки внутрь каркаса.
Используя этот несложный алгоритм действий, вязка арматуры для ленточного фундамента с помощью вязального пистолета происходит намного быстрее и эффективнее.
P.S. А на десерт предлагаю посмотреть видео-ролик: Вяжем арматурные каркасы шуруповертом
Чем вяжут арматуру
Поскольку в строительстве фундаментов и капитальных стен используют в основном арматуру в виде стальных стрежней, их соединение для восприятия сжимающих или растягивающих напряжений обязательно. В массовом строительстве для соединения применяется метод сварки и вязки, в индивидуальном – обычно только вязки. При этом вязка арматуры выполняется с помощью:
- вязальной проволоки;
- арматурных фиксаторов.
Под термином «вязальная проволока» понимается круглая проволока из низкоуглеродистой стали по ГОСТ3282-74. Она может быть обычной и термически обработанной (с маркировкой «О»), с покрытием и без. Толщина цинкового покрытия определяет класс материала.
Выбирая, какой проволокой вязать арматуру, следует обращать внимание на марку бетона и условия эксплуатации конструкции. При этом учитываются механические свойства
Так, если вязка арматуры под фундамент предполагается вручную, лучше выбирать более тонкий вариант, поскольку без специального инструмента толстая проволока для вязки арматуры требует значительных усилий.
Кроме низкоуглеродистой проволоки промышленного производства допустимо использование металлокорда из автомобильных шин. При сжигании шин металлокорд высвобождается и одновременно проходит термическую обработку, что в дальнейшем упрощает работу с ним. Такой вариант вязального материала приемлем только при малых объемах работ и индивидуальном малоответственном строительстве.
Применимы также пластиковые хомуты, обычные и со стальным сердечником. Обычно они используются для стеклопластиковой арматуры. Применение хомутов допустимо в случаях, когда жидкий бетон не будет подвергаться механическим нагрузкам в процессе застывания (по нему не будут ходить, складывать тяжелые вещи, нагружать другими строительными материалами). Этот вариант применим для малоэтажной застройки, поскольку в процессе заливки большой массы бетонной смеси крепления могут смещаться вместе с арматурой. Смещение нарушает работу каркаса и приводит к изменению расчетной прочности конструкции.
Как соединяют арматуру?
Прежде чем интересоваться насчет того, как правильно вязать арматуру, не мешает рассмотреть все способы соединения элементов армирующего каркаса. Сейчас есть три метода. Это:
- сварка;
- вязка проволокой;
- использование пластиковых хомутов.
У каждого варианта есть не только недостатки, но и преимущества, поэтому их применяют в зависимости от конкретных условий.
Соединение сваркой
Этот способ известен давно. Чаще его применяли (и применяют) при сооружении суперпрочных оснований для многоэтажных зданий. Однако у сварки есть несколько слабых мест.
- Для того чтобы привести работу качественно, необходим опыт обращения со сварочным аппаратом. Так как далеко не каждый мастер, задумавший идею строительства дома своими руками, знаком с подобными работами, для выполнения операции придется нанимать профессионального сварщика, а это обещает дополнительные расходы, которых хочется избежать во время масштабного строительства.
- Ненадежность армирующего каркаса. Во время сварки металл нагревается до температур, которые провоцируют нарушение структуры стали в зоне разогрева. Кроме того, сварное соединение не лучшим образом реагирует на изгибы, поэтому возможна деформация материала еще на стадии уплотнения, при использовании вибраторов. Результатом становится частичная потеря каркасом жесткости.
Гнуть металл вблизи от места сварки не рекомендуют. Полное разрушение соединений при работе вибратора — еще одна потенциальная и серьезная проблема, поэтому данный метод не рекомендуют, несмотря на скорость и относительную простоту решения.
Вязка проволокой
Самый большой плюс этого метода — его несложность, так как необходимости в дополнительном оборудовании нет, особых навыков от строителя тоже не требуется. В случае ошибки ее очень просто устранить. Весь процесс армирования легко выполнить в опалубке. Себестоимость работ минимальна, но знать, как правильно вязать арматуру самостоятельно, мастеру все же необходимо.
Недостатком вязки проволокой является относительная шаткость созданной конструкции
Если армирующий каркас делают вне опалубки, то при последующей его установке требуется максимальная осторожность
Использование пластиковых хомутов
Главные преимущества способа — самая высокая скорость работ, надежная фиксация арматуры, простота, не требующая навыков. Недостатки у таких пластиковых стяжек тоже есть. К ним можно отнести:
- большую сумму, которая уйдет на покупку этого материала, если сравнивать эти расходы с приобретением практичной, недорогой вязальной проволоки;
- возможный брак: если хомут был неправильно зафиксирован, то его придется откусывать, а это обещает лишние траты, так как элемент станет непригодным;
- негативное воздействие на элементы при отрицательных температурах: такие пластиковые хомуты, особенно недорогие, способны лопнуть при морозе.
Если делать выбор, то любой метод из двух последних вариантов можно рассматривать в качестве основного претендента. Однако вязка проволокой выигрывает у пластиковых конкурентов, так как в этом случае работа обойдется в меньшую сумму. Кроме того, не все профессиональные строители одобряют пластмассовую продукцию. Они говорят, что хорошие стяжки стоят дорого, а дешевые изделия попросту не выдерживают критики: они быстро рвутся.
Как избежать ошибок?
Главной ошибкой при частном строительстве считается использование готовой сетки, которая изготавливается промышленным способом. Производители таких конструкций чаще всего используют сварку, которая опасна снижением рабочих параметров металла и возникновением коррозии на месте стыков. Лучше всего не пожалеть времени и сил и связать арматурных каркас для монолитной плиты самостоятельно.
Соблюдая все технологические условия вязки арматуры для фундамента, можно добиться максимально возможного ресурса железобетонной конструкции. Нарушение технологического процесса неминуемо влечет снижение качественных характеристик, появление тенденции к разрушению основания, а затем и всей конструкции. Ремонт монолитных плит невозможен, поэтому лучшим решением будет выполнение всех существующих требований на первоначальном этапе.
Разновидности пистолетов
Виды пистолетов по обвязке арматуры подразделяются на механические и электрические.
- универсальные, вяжут арматуру диаметром от четырех до шестидесяти восьми миллиметров работающие с проволокой диаметром полтора миллиметра;
- устройства, вяжущее арматуру диаметром от четырех до сорока миллиметров, в три витка, работающее с проволокой диаметром 0,8 миллиметра;
- пистолет, обвязывающий арматуру диаметром от четырех до двадцати восьми миллиметров, работающий с проволокой диаметром 0,8 миллиметра в два или три витка.
Перечень технических параметров определяющих производительность пистолета:
- диаметр применяемой проволоки;
- масса и размеры прибора;
- возможности по связыванию арматуры различных диаметров;
- количественные возможностей изготовления вяжущих узлов АКБ без дозарядки;
- t затрачиваемое на изготовление одного узла;
- количество создания вяжущих узлов одной катушкой проволоки;
- электрическая ёмкость применяемого аккумулятора.
- Лучшие станки по дереву для домашнего использования: многофункциональные устройства для обработки древесины
- Обзор лучших видов сверлильных станков — рейтинг моделей 2020 года и советы по выбору (90 фото)
- Как выбрать паяльник для полипропиленовых труб — рейтинг лучших моделей 2021 года и правила их применения
Вероятнее всего, что при производстве небольшого объема строительных работ будет достаточно задействовать недорогое механическое устройство, а при выполнении больших объемов строительных работ, по всей видимости, придется приобрести электрический пистолет.
Вопрос: «Какой пистолет для вязки арматуры лучше?» остается открытым. Только комплексная оценка этих факторов может дать правильный ответ в пользу механического или электрического видов пистолетов.


















